电动机主要技术参数 Motor Technical Date
电机型号 Type | 额定电压 Rated voltage VDC | 空载转速 No-load speed r/min | 空载电流 No-load current A | 额定转速 Rated speed r/min | 额定转矩 Rated Torque N.m | 输出功率 Output power W | 额定电流 Rated current A | 堵转转矩 Stall Torque N.m | 堵转电流 Stall current A |
80ZY115-2420 | 24 | 2000 | 0.3 | 1700 | 0.32 | 57 | 3.5 | 1.5 | 16 |
80ZY115-2430 | 24 | 3000 | 0.5 | 2600 | 0.44 | 120 | 7.5 | 2.0 | 33 |
齿轮减速电机主要技术参数 Gear Motor Technical Data
配置 80ZY115-2420 直流电机(80ZY115-2420 DC Motor)
减 速 比 Reduction ratio | 3 | 5 | 6 | 7.5 | 9 | 10 | 12.5 | 15 | 18 | 20 | 25 | 30 | 36 | 40 | 50 | 60 | 75 |
减速级数 Number of gear trains | 1 | 2 | 2 | 2 | 2 | 2 | 2 | 2 | 3 | 3 | 3 | 3 | 3 | 4 | 4 | 4 | 4 |
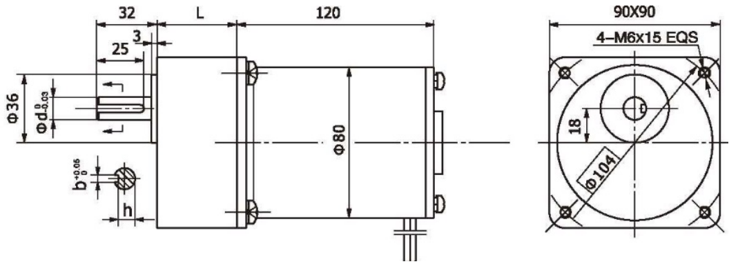
减速器长度(L) Length(L) mm | 42 | 42 | 42 | 42 | 42 | 42 | 42 | 42 | 60 | 60 | 60 | 60 | 60 | 60 | 60 | 60 | 60 |
空载转速 No-load speed r/min | 667 | 400 | 333 | 267 | 222 | 200 | 160 | 133 | 111 | 100 | 80 | 67 | 56 | 50 | 40 | 33 | 27 |
额定转速 Rated speed r/min | 567 | 340 | 283 | 227 | 189 | 170 | 136 | 113 | 94 | 85 | 68 | 57 | 47 | 43 | 34 | 28 | 23 |
额定转矩 Rated torque N.m | 0.86 | 1.3 | 1.6 | 1.9 | 2.3 | 2.6 | 3.2 | 3.9 | 4.2 | 4.7 | 5.8 | 7.0 | 8.4 | 8.4 | 11 | 13 | 16 |
最大瞬间允许负载 N.m Max. permissible load in a short time | 5.0 | 10 | 10 | 10 | 10 | 10 | 10 | 10 | 20 | 20 | 20 | 20 | 20 | 40 | 40 | 40 | 40 |
转向 Direction of rotation | CCW | CW | CW | CW | CW | CW | CW | CW | CCW | CCW | CCW | CCW | CCW | CW | CW | CW | CW |
配置 80ZY115-2430 直流电机(80ZY115-2430 DC Motor)
减 速 比 Reduction ratio | 3 | 5 | 6 | 7.5 | 9 | 10 | 12.5 | 15 | 18 | 20 | 25 | 30 | 36 | 40 | 50 | 60 | 75 |
减速级数 Number of gear trains | 1 | 2 | 2 | 2 | 2 | 2 | 2 | 2 | 3 | 3 | 3 | 3 | 3 | 4 | 4 | 4 | 4 |
减速器长度(L) Length(L) mm | 42 | 42 | 42 | 42 | 42 | 42 | 42 | 42 | 60 | 60 | 60 | 60 | 60 | 60 | 60 | 60 | 60 |
空载转速 No-load speed r/min | 1000 | 600 | 500 | 400 | 333 | 300 | 240 | 200 | 167 | 150 | 120 | 100 | 83 | 75 | 60 | 50 | 40 |
额定转速 Rated speed r/min | 867 | 520 | 433 | 347 | 289 | 260 | 208 | 173 | 144 | 130 | 104 | 87 | 72 | 65 | 52 | 43 | 35 |
额定转矩 Rated torque N.m | 1.2 | 1.8 | 2.1 | 2.7 | 3.0 | 3.6 | 4.5 | 5.3 | 5.8 | 6.4 | 8.0 | 9.6 | 12 | 12 | 15 | 16 | 17 |
最大瞬间允许负载 N.m Max. permissible load in a short time | 5.0 | 10 | 10 | 10 | 10 | 10 | 10 | 10 | 20 | 20 | 20 | 20 | 20 | 40 | 40 | 40 | 40 |
转向 Direction of rotation | CCW | CW | CW | CW | CW | CW | CW | CW | CCW | CCW | CCW | CCW | CCW | CW | CW | CW | CW |
电动机特性图 Motor Characteristic Figure

在线客服