产品特点和用途 Description of The Product
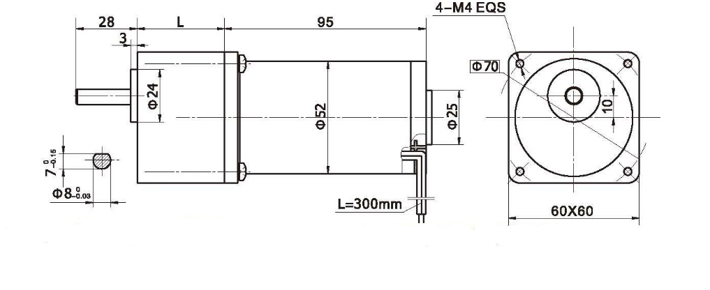
60mm 的一体式齿轮减速器,允许负载 5.0N.m。合金结构钢齿轮,全部滚动轴承的配置
电动机主要技术参数 Motor Technical Date
电机型号 TYPE | 额定电压 Rated voltage VDC | 空载转速 No-load Speed r/min | 空载电流 No-load current mA | 额定转速 Rated Speed r/min | 额定转矩 Rated torque mN.m | 输出功率 Output power W | 额定电流 Rated current mA | 堵转力矩 Stall Torque m N.m | 堵转电流 Stall current A |
52ZY95-2420 | 24 | 2000 | 0.2 | 1600 | 80 | 15 | 1.2 | 0.40 | 4.2 |
52ZY95-2430 | 24 | 3000 | 0.3 | 2400 | 100 | 25 | 1.8 | 0.41 | 6.0 |
齿轮减速电机主要技术参数 Gear Motor Technical Data
配置 52ZY95-2420 直流电机(52ZY95-2420 DC Motor)
减 速 比 Reduction ratio | 3 | 5 | 7.5 | 10 | 12.5 | 15 | 25 | 30 | 50 | 75 | 90 | 100 | 120 |
减速级数 Number of gear trains | 2 | 2 | 2 | 2 | 2 | 2 | 3 | 3 | 3 | 4 | 4 | 4 | 4 |
减速器长度(L) Length(L) mm | 32 | 32 | 32 | 32 | 32 | 32 | 40 | 40 | 40 | 40 | 40 | 40 | 40 |
空载转速 No-load speed r/min | 667 | 400 | 267 | 200 | 160 | 133 | 80 | 67 | 40 | 27 | 22 | 20 | 16 |
额定转速 Rated speed r/min | 533 | 320 | 213 | 160 | 128 | 106 | 64 | 53 | 32 | 21 | 18 | 16 | 13 |
额定转矩 Rated torque N.m | 0.19 | 0.32 | 0.48 | 0.64 | 0.81 | 0.97 | 1.4 | 1.7 | 2.9 | 3.9 | 4.7 | 5.0 | 5.0 |
最大瞬间允许负载 N.m Max. permissible load in a short time | 2.5 | 2.5 | 2.5 | 2.5 | 2.5 | 2.5 | 5.0 | 5.0 | 5.0 | 10 | 10 | 10 | 10 |
转 向 Direction of rotation | CW | CW | CW | CW | CW | CW | CCW | CCW | CCW | CW | CW | CW | CW |
配置 52ZY95-2435 直流电机(52ZY95-2435 DC Motor)
减 速 比 Reduction ratio | 3 | 5 | 7.5 | 10 | 12.5 | 15 | 25 | 30 | 50 | 75 | 90 |
减速级数 Number of gear trains | 2 | 2 | 2 | 2 | 2 | 2 | 3 | 3 | 3 | 4 | 4 |
减速器长度(L) Length(L) mm | 32 | 32 | 32 | 32 | 32 | 32 | 40 | 40 | 40 | 40 | 40 |
空载转速 No-load speed r/min | 1000 | 600 | 400 | 300 | 240 | 200 | 120 | 100 | 60 | 40 | 33 |
额定转速 Rated speed r/min | 800 | 480 | 320 | 240 | 192 | 160 | 96 | 80 | 48 | 32 | 26 |
额定转矩 Rated torque N.m | 0.24 | 0.4 | 0.6 | 0.8 | 1.0 | 1.2 | 1.8 | 2.1 | 3.6 | 4.9 | 5.0 |
最大瞬间允许负载 N.m Max. permissible load in a short time | 2.5 | 2.5 | 2.5 | 2.5 | 2.5 | 2.5 | 5.0 | 5.0 | 5.0 | 10 | 10 |
转 向 Direction of rotation | CW | CW | CW | CW | CW | CW | CCW | CCW | CCW | CW | CW |
电动机特性图 Motor Characteristic Figure

在线客服