EN
产品中心
Product Center
当前位置: 首页 - 产品中心 - 行星齿轮减速器 - 32JX30K
32JX30K
减速比参数 Gear Ratio Parameter减速比Gear RatioL尺寸(mm) Dimension—级 Stage13.7 ~ 5.225.7二级 Stage...
内齿圈材料 Housing material金属Metal
输出轴轴承形式 Bearing at output滚动轴承Ball bearings
最大允许径向负载(离法兰10mm处)
Max.Radial load(10mm from flange)
≤35N
最大允许轴向负载Max.shaft axial load≤25N
径向间隙(测量点尽量接近法兰
Radial play of shaft (near to flange)
≤0.07mm
轴向间隙 Axial play of shaft≤0.3 mm
背隙(无负载时)Backlash at no-load≤1.5°
输出轴最大承受压入力
Shaft press fit force, max
≤100N


产品详情
外形参考图
  • 减速比参数 Gear Ratio Parameter


减速比Gear Ratio

L尺寸(mm) Dimension

—级 Stage1

3.7 ~ 5.2

25.7

二级 Stage2

14 ~ 27

32.8

三级Stage3

51 ~ 139

39.7

四级Stage4

189 ~720

46.6







 


参数 Parameter

—级 Stage1

二级 Stage2

三级Stage3

四级Stage4

传动效率

Transmission efficiency

90%

81%

73%

66%

额定允许扭矩

Rated tolerance torque

0.3N.m

1.2N.m

2.5N.m

3.0N.m

瞬间允许扭矩

Max momentary tolerance torque

3倍额定扭矩 Three times of the rated torque

工作温度

Operating temperature

-10℃~ +80℃

使用相对湿度

Operating ambient humidity

20% ~ 85%RH

推荐输入转速

Recommend input speed

≤4000rpm

输入与输出转向

Input and output direction

同向 Same direction



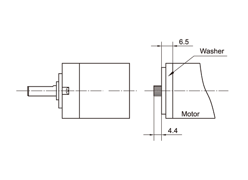
  • 电机配合方案 Motor matching scheme

图片1.png

模数

Module

齿数

No.of teeth

—级 Stagel

二级 Stage2

三级 Stages

四级 Stage4

0.5

17

3.7

14

51

189

11

5.2

19

71

265


27

100

369



139

516




720



image.png

产品推荐
product recommendation
42JX100K

Φ42行星减速器

允许转矩范围:1N.m?10N.m


查看详情
42JX150K

Φ42行星减速器

允许转矩范围:2N.m?15N.m


查看详情
82JX1200K

Φ82行星减速器

允许转矩范围:20N.m?120N.m


查看详情
72JX850K

Φ72行星减速器

允许转矩范围:15N.m?85N.m


查看详情
在线客服