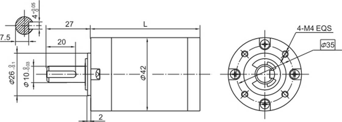
减速比参数Gear Ratio Parameter
减速比Gear Ratio | L尺寸(mm) Dimension | |
—级 Stage1 | 3.7 ~ 5.2 | 31.5 |
二级 Stage2 | 14 ~ 27 | 42.1 |
三级Stage3 | 51 ~ 139 | 52.5 |
四级Stage4 | 189 ~ 720 | 62.9 |
参数 Parameter | —级 Stage1 | 二级 Stage2 | 三级Stage3 | 四级Stage4 | |
传动效率 | Transmission efficiency | 90% | 81% | 73% | 66% |
额定允许扭矩 | Rated tolerance torque | 1 N.m | 4N.m | 8N.m | 10N.m |
瞬间允许扭矩 | Max momentary tolerance torque | 3倍额定扭矩 Three times of the rated torque | |||
工作温度 | Operating temperature | -10℃~ +80℃ | |||
使用相对湿度 | Operating ambient humidity | 20% ~85%RH | |||
推荐输入转速 | Recommend input speed | ≤4000rpm | |||
输入与输出转向 | Input and output direction | 同向 Same direction | |||
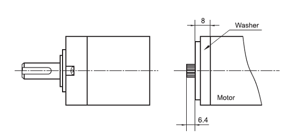
电机配合方案Motor matching scheme
| 模数 Module | 齿数 No.of teeth | —级 Stagel | 二级 Stage2 | 三级 Stages | 四级 Stage4 |
17 | 3.7 | 14 | 51 | 189 | ||
11 | 5.2 | 19 | 71 | 264 | ||
27 | 100 | 369 | ||||
139 | 516 | |||||
720 | ||||||
在线客服