电动机主要技术参数 Motor Technical Data
电机型号 TYPE | 额定电压 Rated voltage VDC | 空载转速 No-load Speed r/min | 空载电流 No-load current A | 额定转速 Rated speed r/min | 额定转矩 Rated torque mN.m | 输出功率 Output power W | 额定电流 Rated current A | 堵转力矩 Stall torque N.m | 堵转电流 Stall current A |
80ZY115-2420 | 24 | 2000 | 0.3 | 1500 | 440 | 72 | 4.2 | 1.7 | 15.4 |
80ZY115-2430 | 24 | 3000 | 0.5 | 2700 | 320 | 90 | 5.2 | 2.5 | 30 |
齿轮减速电机主要技术参数 Gear Motor Technical Data
型号:80ZY115-2420(80ZY115-2420 DC Motor)
减速比 Reduction ratio | 4 | 7 | 14 | 19 | 25 | 32 | 50 | 64 | 71 | 90 | 116 | 152 | 195 | 329 |
减速级数 Number of gear trains | 1 | 1 | 2 | 2 | 2 | 2 | 3 | 3 | 3 | 3 | 3 | 3 | 3 | 3 |
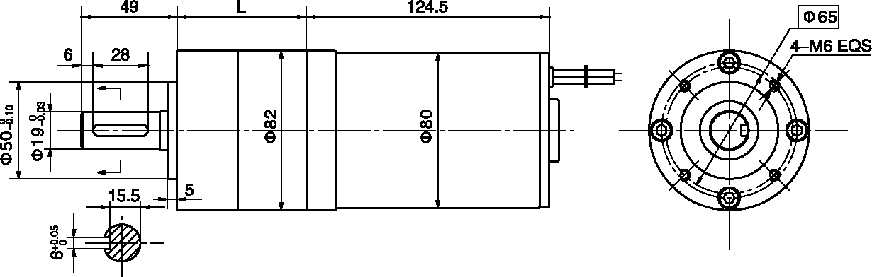
减速器长度(L)Length(L) mm | 66 | 66 | 90 | 90 | 90 | 90 | 115 | 115 | 115 | 115 | 115 | 115 | 115 | 115 |
空载转速 No-load speed r/min | 500 | 286 | 143 | 105 | 80 | 63 | 40 | 31 | 28 | 22 | 17 | 13 | 10 | 6 |
额定转速 Rated speed r/min | 375 | 214 | 107 | 79 | 60 | 47 | 30 | 23 | 21 | 17 | 13 | 10 | 8 | 4.5 |
额定转矩 Rated torque N.m | 1.6 | 2.8 | 5.0 | 6.8 | 8.9 | 11 | 16 | 21 | 23 | 29 | 37 | 49 | 63 | 105 |
最大瞬间允许负载 N.m Max. permissible load in a short time | 60 | 60 | 180 | 180 | 180 | 180 | 360 | 360 | 360 | 360 | 360 | 360 | 360 | 360 |
型号:80ZY115-2430(80ZY115-2430 DC Motor)
减速比 Reduction ratio | 4 | 7 | 14 | 19 | 25 | 32 | 50 | 64 | 71 | 90 | 116 | 152 | 195 | 329 |
减速级数 Number of gear trains | 1 | 1 | 2 | 2 | 2 | 2 | 3 | 3 | 3 | 3 | 3 | 3 | 3 | 3 |
减速器长度(L)Length(L) mm | 66 | 66 | 90 | 90 | 90 | 90 | 115 | 115 | 115 | 115 | 115 | 115 | 115 | 115 |
空载转速 No-load speed r/min | 750 | 429 | 214 | 158 | 120 | 94 | 60 | 47 | 42 | 33 | 26 | 20 | 15 | 9 |
额定转速 Rated speed r/min | 675 | 386 | 193 | 142 | 108 | 84 | 54 | 42 | 38 | 30 | 23 | 17.5 | 13.8 | 8 |
额定转矩 Rated torque N.m | 1.2 | 2.0 | 3.6 | 4.9 | 6.5 | 8.3 | 12 | 15 | 16.5 | 21 | 27 | 36 | 46 | 77 |
最大瞬间允许负载 N.m Max. permissible load in a short time | 60 | 60 | 180 | 180 | 180 | 180 | 360 | 360 | 360 | 360 | 360 | 360 | 360 | 360 |
电动机特性图 Motor Characteristic Figure

在线客服