电动机主要技术参数 Motor Technical Data
电机型号 TYPE | 极数 Number of poles | 相数 Number of phase | 额定电压 Rated voltage VDC | 空载转速 No-load speed r/min | 空载电流 No-load current mA | 额定转矩 Rated torque mN.m | 额定转速 Rated speed r/min | 额定电流 Rated current mA | 额定功率 Rated Power W |
28ZWNP38-2431 | 4 | 3 | 24 | 3100 | 180 | 6.9 | 2600 | 250 | 1.87 |
使用电压范围(Voltage Range ) : 10-24.5VDC
无刷行星齿轮减速电机主要技术参数 Brushless Gear Motor Technical Data
配置28ZY38P-1265直流电机(28ZY38P-1265 DC Motor)
减速比 Reduction ratio | 3.7 | 5.2 | 14 | 19 | 27 | 51 | 71 | 100 | 139 | 189 | 264 | 369 | 516 | 720 |
减速级数 Number of gear trains | 1 | 1 | 2 | 2 | 2 | 3 | 3 | 3 | 3 | 4 | 4 | 4 | 4 | 4 |
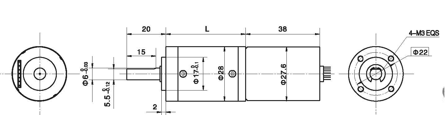
减速器长度(L) Length(L) mm | 31.0 | 31.0 | 40.1 | 40.1 | 40.1 | 49.0 | 49.0 | 49.0 | 49.0 | 57.9 | 57.9 | 57.9 | 57.9 | 57.9 |
空载速度 No-load speed r/min | 836 | 598 | 221 | 163 | 115 | 61 | 44 | 31 | 22 | 16 | 12 | 8.4 | 6.0 | 4.3 |
额定转速 Rated speed rAnin | 701 | 502 | 186 | 137 | 96 | 51 | 37 | 26 | 19 | 14 | 9.8 | 7.0 | 5.0 | 3.6 |
额定转矩 Rated torque N.m | 0.023 | 0.032 | 0.078 | 0.11 | 0.15 | 0.26 | 0.36 | 0.50 | 0.70 | 0.85 | 1.2 | 1.7 | 2.3 | 3 |
最大瞬间允许负载 N.m Max. permissible load in a short time | 1.0 | 1.0 | 3.5 | 3.5 | 3.5 | 7.5 | 7.5 | 7.5 | 7.5 | 9 | 9 | 9 | 9 | 9 |
接线方式 Wire Diagram


在线客服