EN
产品中心
Product Center
当前位置: 首页 - 产品中心 - 位置和速度传感器 - CBM磁编码器
CBM磁编码器
产品结构特征 Product Features编码器型号和规格 Encoder Model and Specifications 编码器使用环境条件 ...
    • CBM磁编码器 Magnetic Encoder

产品详情
外形参考图

产品结构特征 Product Features

blob.png

编码器型号和规格  Encoder Model and Specifications

  blob.png

编码器使用环境条件  Operation Environment

blob.png

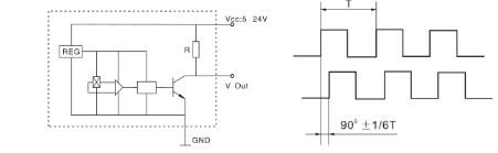
接线说明 Wiring Instructions

blob.png

blob.png


电气特性  Electrical  Characteristics

blob.png

blob.png


产品推荐
product recommendation
GBM三通道光栅编码器
查看详情
GBM双通道光栅编码器
查看详情
在线客服