产品特点和用途 Description of The Product
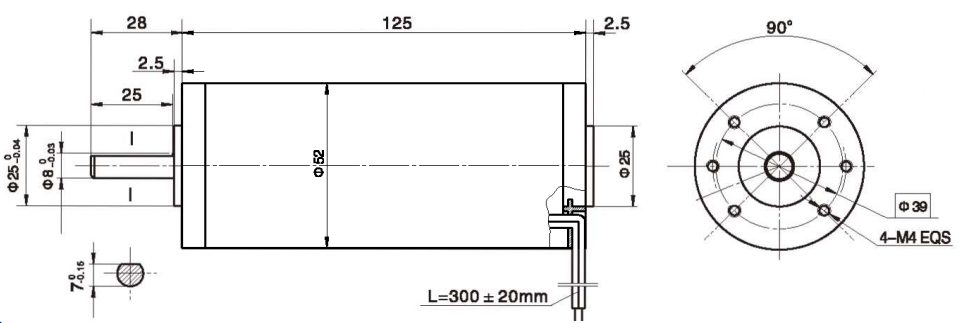
直径 52mm 的永磁直流电动机,密封结构,适合于各种要求低噪音的使用场合。
52MM OD PMDC motor, totally enclosed, used in occasions which require motors with low noise
电动机主要技术参数 Motor Technical Data
电机型号 TYPE | 额定电压 Rated voltage VDC | 空载转速 No-load speed r/min | 空载电流 No-load current A | 额定转速 Rated Speed r/min | 额定转矩 Rated torque mN.m | 输出功率 Output Power W | 额定电流 Rated current A | 堵转转矩 Stall torque mN.m | 堵转电流 Stall Current A |
52ZY125-2420 | 24 | 2000 | 0.40 | 1600 | 160 | 30 | 2.0 | 620 | 6.5 |
52ZY125-2430 | 24 | 3000 | 0.60 | 2400 | 190 | 50 | 3.5 | 700 | 11.5 |
52ZY125-2440 | 24 | 4000 | 0.80 | 3200 | 220 | 80 | 4.5 | 838 | 16.4 |
在线客服