产品特点和用途 Description of The Product
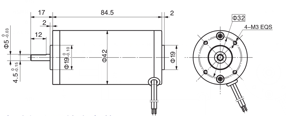
直径 42mm 的永磁直流电动机,密封结构,适合于各种要求低噪音的使用场合。
42MM OD PMDC motor, totally enclosed, used in occasions which require motors with low noise.
电动机主要技术参数 Motor Technical Data
电机型号 Type | 额定电压 Rated Voltage DVC | 空载转速 No-load speed r/min | 空载电流 No-load current A | 额定转速 Rated speed r/min | 额定转矩 Rated Torque mN.m | 输出功率 Output power W | 额定电流 Rated current A | 堵转转矩 Stall Torque mN.m | 堵转电流 Stall Current A |
42ZY85-2430 | 24 | 3000 | 0.20 | 2400 | 70 | 15 | 1.2 | 280 | 3.7 |
42ZY85-2436 | 24 | 3600 | 0.30 | 2850 | 80 | 23 | 1.5 | 290 | 4.7 |
在线客服